+86-13861059001
HOME
About us
Product
New
Contact us
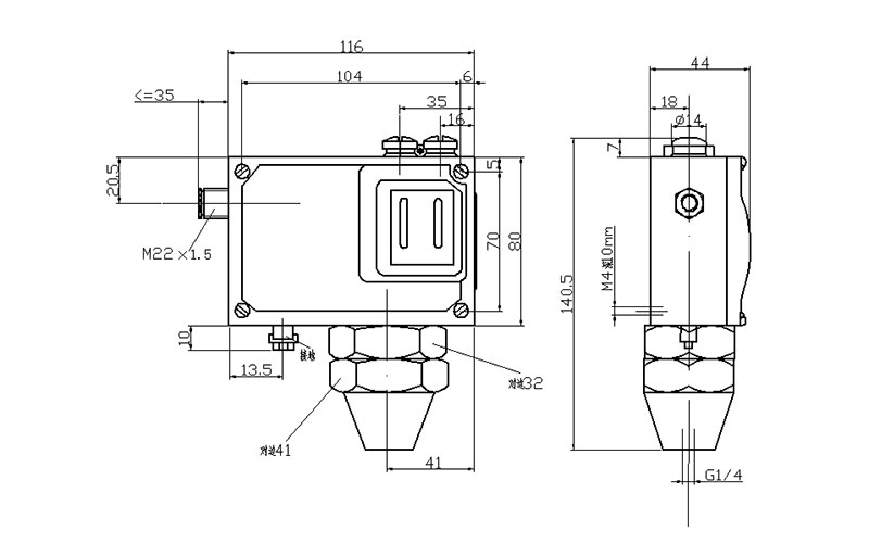
502/7D Explosion Pressure Switches
Time:2017-06-29
Visits: 1304

The Sensor of Switches utilize Diaphragm style,the housing material for partial specification is stainless.

It can be suitable for neutral gas and water, hydraulic pressure oil,lubricating oil,light fuel ect. Fluid medium. the Set Point is adjustable, and its adjustable range is from --0.1Mpa to 2.5Mpa.

 






01

02

03

04

05

06


Recommendation
Copyright © 2021, CHANGZHOU TIANLI INTELIGENT CONTROL CO.,LTD. . All Rights Reserved.